Чтобы запросить цену ниже, укажите номер телефона и e-mail.
All other data you can tell the manager.
Производитель
EAN
Код производителя
Напряжение питания редуктора
Площадь ворот
Интенсивность
Тип привода
Тип устройства
Напряжение питания
Тип редуктора

Привод для автоматизации секционных промышленных ворот CAME C-BXK, площадь до 52м2; высотой до 8,5 метра; интенсивность 30%; класс защиты IP54; диапазон рабочих температур от -20°С до +55°С; напряжение питания 230В; электропитание двигателя 230В; тип привода электромеханический осевой.
Особенности:
- Версия повышенной мощности.
- Встроенная система разблокировки с возможностью дополнения внешней дистанционной (дополнительный аксессуар).
- Возможность автоматизации откатных подвесных промышленных ворот с помощью дополнительных аксессуаров.
- Возможность увеличения мощности двигателя за счет цепной передачи.
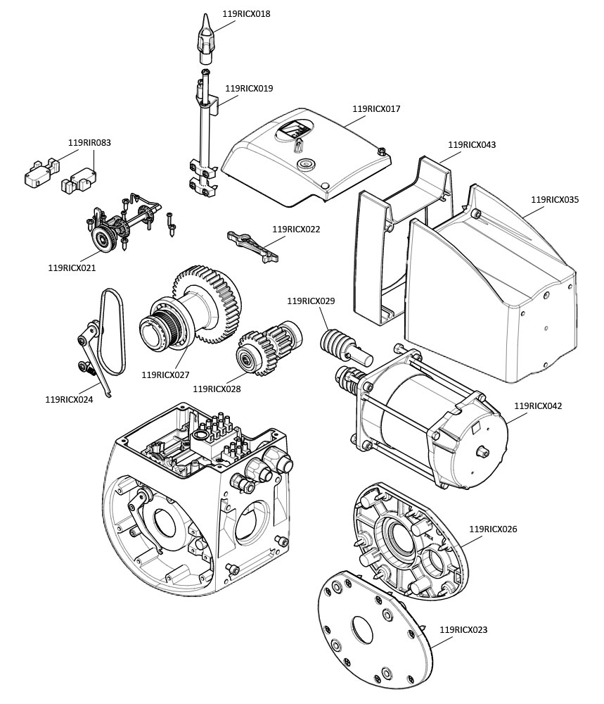
Запчасти для привода CAME C-BXK

| 119RICX017 | Крышка отсека концевых выключателей C-BX |
| 119RICX018 | Ручка разблокировки C-BX |
| 119RICX019 | Штырь разблокировки C-BX |
| 119RICX021 | Блок концевиков в сборе для C-BX |
| 119RICX022 | Рычаг безопасности C-BX, С-ВХК, С-ВХТ |
| 119RICX023 | Правая крышка редуктора C-BX |
| 119RICX024 | Привод концевых выключателей C-BX в сборе |
| 119RICX026 | Левая крышка редуктора C-BX |
| 119RICX027 | Вал выходной C-BX в сборе |
| 119RICX028 | Вал разблокиратора C-BX |
| 119RICX029 | Червяк C-BX |
| 119RICX042 | Электродвигатель C-BXK, C-BXEK в сборе |
| 119RICX035 | Кожух мотора C-BX |
| 119RICX043 | Удлинитель кожуха электродвигателя C-BXK, C-BXEK |
| 119RIR083 | Микровыключатель без рычага |
Купить CAME C-BXK в интернет-магазине СЕК-ГРУПП в Москве: Черницынский проезд, д.3, стр.1 (метро Щелковская). Доставка по России.
CAME C-BXK (комплект)83 050 ₽

Класс защиты IP
Напряжение электропитания (В, 50/60 Гц)
Напряжение электропитания двигателя (В)
Потребляемый ток (А)
Мощность (Вт)
Скорость вращения (об/мин)
Интенсивность использования (%)
Крутящий момент (Нм)
Диапазон рабочих температур (°C)
Термозащита двигателя (°C)
До ТК (СДЭК, ПЭК, Деловые Линии) - 0 Р
Остальные транспортные компании - 1000 Р
Заказы от 60 000 Р (по ценам сайта) - 0 Р
В пределах МКАД заказы стоимость > 5 000 руб. и < 2 кг - 750 руб., > 2 кг составляет 1000 руб.
Негабарит МКАД - 1300 Р (более 5 метров - 2000 Р)
За МКАД - 1000 Р + 90Р/км
Негабарит за МКАД - 1300Р + 110Р/км (более 5 метров - 2000 Р + 110Р/км)
г. Москва, Черницынский пр-д, д. 3 стр. 1. метро Щелковская
г. Уфа, ул. Трамвайная, д. 2 оф. 1-02
Мы правильно определили ваш город?
Оплата осуществляется путем банковского перевода денежных средств с расчетного счета покупателя на наш расчетный счет.
Счет выставляется по запросу в печатном или электронном виде. Счет действителен в течении 3-х банковских дней за исключением оборудования производства компании PERCo.
Оплата наличными производится в офисах компании при получении товара со склада по адресам:
- г. Москва, Черницынский проезд, д.3, стр.3
- г. Уфа, Трамвайная улица, д.2, офис 1-02
Стоимость заказа передаётся водителю компании при получении товара.


















